產品介紹

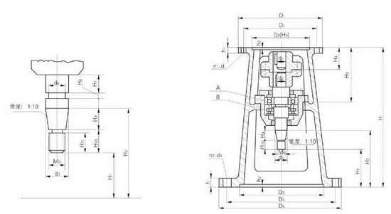
JB型<79標>機架主要參數及尺寸
機架型號
減速機型號
尺寸
D
D1
D2
D3
D4
D5
H
H1
H2
H3
H4
H6
H7
H8
H9
H10
H11
JB
TJ1
B1
230
200
170
220
270
305
514
157
224
185
75
4
45
6
33
34
28
TJ2
B1
230
200
170
250
300
335
517
150
226
190
80
5
40
6
44
32
25
TJ2
B2
260
230
200
250
300
335
530
134
215
210
94
5
45
6
47
34
27
TJ3
B2
260
230
200
295
350
392
560
164
245
210
94
5
45
6
47
34
27
TJ3
B3
340
310
270
295
350
392
560
164
245
210
100
5
42
6
47
34
27
TJ4
B3
340
310
270
345
400
442
675
203
300
250
100
5
50
8
53
44
35
TJ5
B3
340
310
270
390
450
498
680
183
300
250
100
5
55
8
58
49
39
TJ5
B4
400
360
320
390
450
498
380
193
300
250
120
5
55
8
58
49
39
TJ6
B4
400
360
320
435
500
547
736
215
332
250
120
9
75
8
65
52
42
TJ6
B5
490
450
400
435
500
548
736
215
332
250
145
9
75
8
65
52
42
TJ7
B5
490
450
400
440
550
600
805
180
321
296
145
8
74
10
89
52
44
TJ8
B6
580
520
460
500
550
600
820
170
320
362
177
9
28
10
90
60
52
機架型號
減速機型號
尺寸
機架配套軸承
h
h1
h2
h3
d1
d2
d3
d4
m0
n1-d
n2-d5
A
B
JB
TJ1
B1
22
20
6
7
35
35
30
24
M24×3
6-φ12
4-φ24
209
8209
TJ2
B1
22
20
6
7
35
35
39
33
M33×3.5
6-φ12
4-φ24
209
8209
TJ2
B2
25
20
7
7
45
45
39
32
M33×3.5
6-φ13
4-φ24
210
8210
TJ3
B2
26
20
7
7
45
45
39
32
M33×3.5
6-φ13
4-φ26
210
8210
TJ3
B3
26
20
7
7
55
55
39
32
M33×3.5
6-φ13
4-φ26
210
8210
TJ4
B3
26
20
7
7
55
55
50
41.5
M42×4.5
6-φ13
4-φ26
213
8213
TJ5
B3,B4
26
22
7
7
55
70
55
60
51.5
M52×5
6-φ30
4-φ30
213
8213
TJ6
B4,B5
30
22
7
7
70
90
70
70
61.5
M64×6
8-φ16
8-φ30
215
8215
TJ7
B5
30
26
10
10
90
90
90
79
M80×6
12-φ18
12-φ22
220
8220
TJ8
B6
32
30
10
10
100
100
100
89
M90×6
12-φ22
12-φ22
222
8222

JB型<79標>機架主要參數及尺寸
| 機架型號 | 減速機型號 | 尺寸 | |||||||||||||||||
| D | D1 | D2 | D3 | D4 | D5 | H | H1 | H2 | H3 | H4 | H6 | H7 | H8 | H9 | H10 | H11 | |||
| JB | TJ1 | B1 | 230 | 200 | 170 | 220 | 270 | 305 | 514 | 157 | 224 | 185 | 75 | 4 | 45 | 6 | 33 | 34 | 28 |
| TJ2 | B1 | 230 | 200 | 170 | 250 | 300 | 335 | 517 | 150 | 226 | 190 | 80 | 5 | 40 | 6 | 44 | 32 | 25 | |
| TJ2 | B2 | 260 | 230 | 200 | 250 | 300 | 335 | 530 | 134 | 215 | 210 | 94 | 5 | 45 | 6 | 47 | 34 | 27 | |
| TJ3 | B2 | 260 | 230 | 200 | 295 | 350 | 392 | 560 | 164 | 245 | 210 | 94 | 5 | 45 | 6 | 47 | 34 | 27 | |
| TJ3 | B3 | 340 |
310 |
270 | 295 | 350 | 392 | 560 | 164 | 245 | 210 | 100 | 5 | 42 | 6 | 47 | 34 | 27 | |
| TJ4 | B3 | 340 | 310 | 270 | 345 | 400 | 442 | 675 | 203 | 300 | 250 | 100 | 5 | 50 | 8 | 53 | 44 | 35 | |
| TJ5 | B3 | 340 | 310 | 270 | 390 | 450 | 498 | 680 | 183 | 300 | 250 | 100 | 5 | 55 | 8 | 58 | 49 | 39 | |
| TJ5 | B4 | 400 | 360 | 320 | 390 | 450 | 498 | 380 | 193 | 300 | 250 | 120 | 5 | 55 | 8 | 58 | 49 | 39 | |
| TJ6 | B4 | 400 | 360 | 320 | 435 | 500 | 547 | 736 | 215 | 332 | 250 | 120 | 9 | 75 | 8 | 65 | 52 | 42 | |
| TJ6 | B5 | 490 | 450 | 400 | 435 | 500 | 548 | 736 | 215 | 332 | 250 | 145 | 9 | 75 | 8 | 65 | 52 | 42 | |
| TJ7 | B5 | 490 | 450 | 400 | 440 | 550 | 600 | 805 | 180 | 321 | 296 | 145 | 8 | 74 | 10 | 89 | 52 | 44 | |
| TJ8 | B6 | 580 | 520 | 460 | 500 | 550 | 600 | 820 | 170 | 320 | 362 | 177 | 9 | 28 | 10 | 90 | 60 | 52 | |
| 機架型號 | 減速機型號 | 尺寸 | 機架配套軸承 | ||||||||||||
| h | h1 | h2 | h3 | d1 | d2 | d3 | d4 | m0 | n1-d | n2-d5 | A | B | |||
| JB | TJ1 | B1 | 22 | 20 | 6 | 7 | 35 | 35 | 30 | 24 | M24×3 | 6-φ12 | 4-φ24 | 209 | 8209 |
| TJ2 | B1 | 22 | 20 | 6 | 7 | 35 | 35 | 39 | 33 | M33×3.5 | 6-φ12 | 4-φ24 | 209 | 8209 | |
| TJ2 | B2 | 25 | 20 | 7 | 7 | 45 | 45 | 39 | 32 | M33×3.5 | 6-φ13 | 4-φ24 | 210 | 8210 | |
| TJ3 | B2 | 26 | 20 | 7 | 7 | 45 | 45 | 39 | 32 | M33×3.5 | 6-φ13 | 4-φ26 | 210 | 8210 | |
| TJ3 | B3 | 26 | 20 | 7 | 7 | 55 | 55 | 39 | 32 | M33×3.5 | 6-φ13 | 4-φ26 | 210 | 8210 | |
| TJ4 | B3 | 26 | 20 | 7 | 7 | 55 | 55 | 50 | 41.5 | M42×4.5 | 6-φ13 | 4-φ26 | 213 | 8213 | |
| TJ5 | B3,B4 | 26 | 22 | 7 | 7 | 55 70 |
55 | 60 | 51.5 | M52×5 | 6-φ30 | 4-φ30 | 213 | 8213 | |
| TJ6 | B4,B5 | 30 | 22 | 7 | 7 | 70 90 |
70 | 70 | 61.5 | M64×6 | 8-φ16 | 8-φ30 | 215 | 8215 | |
| TJ7 | B5 | 30 | 26 | 10 | 10 | 90 | 90 | 90 | 79 | M80×6 | 12-φ18 | 12-φ22 | 220 | 8220 | |
| TJ8 | B6 | 32 | 30 | 10 | 10 | 100 | 100 | 100 | 89 | M90×6 | 12-φ22 | 12-φ22 | 222 | 8222 | |

a>