產品介紹
F系列平行軸斜齒輪減速電機
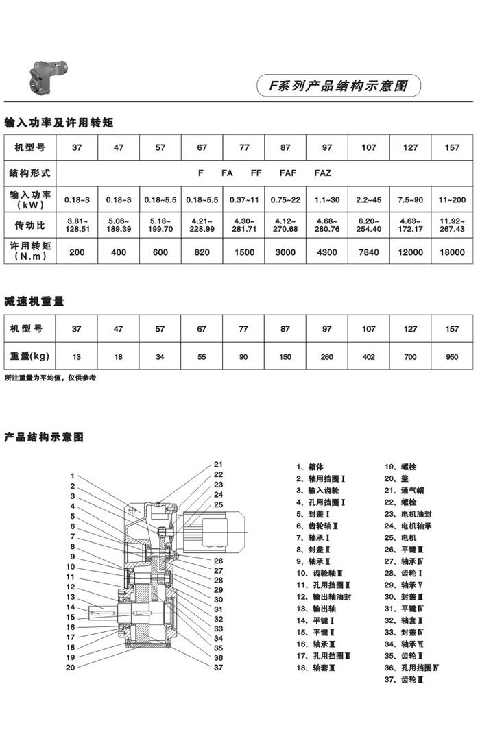
F系列平行軸斜齒輪減速機性能特點:
F系列平行軸斜齒輪減速機具有體積小、重量輕、傳遞扭矩大、起動平穩、低損耗、安裝方式多樣,輸入輸出靈活等特點。非常適合在空間受限制的情況下使用。并能與各種減、變速機組合,適用于各種不同條件要求的場所。
技術參數: 安裝形式:
電機功率:0.18~200Kw 底腳安裝
輸出轉速:0.1~752r/min 法蘭安裝
輸出轉矩:高至17000Nm 軸裝安裝






















| F系列平行軸斜齒輪減速電機 |
|
F系列平行軸斜齒輪減速機性能特點: F系列平行軸斜齒輪減速機具有體積小、重量輕、傳遞扭矩大、起動平穩、低損耗、安裝方式多樣,輸入輸出靈活等特點。非常適合在空間受限制的情況下使用。并能與各種減、變速機組合,適用于各種不同條件要求的場所。 技術參數: 安裝形式: 電機功率:0.18~200Kw 底腳安裝 輸出轉速:0.1~752r/min 法蘭安裝 輸出轉矩:高至17000Nm 軸裝安裝
|

a>